首页
模板
元素
插画
背景
视频
办公
免费
在线设计
红动AI
找设计,上红动
全部
全部
设计稿
摄影图
元素库
VIP素材
或
我要找人设计
2026
马年
年终总结
工作总结
红色背景
企业文化墙
企业宣传
邀请函
蓝色背景
科技海报
当前位置:
首页
>
原创设计稿
>
CAD
>
构筑物
分类
平面广告
电商UI设计
办公文档
新媒体
插画
背景
免抠元素
视频
CAD
3D模型
字体
AI图库
子类
全部
雕塑小品
构筑物
水景
植物
铺装
围墙|栏杆|大门
灯具
材料
室外家具
标识系统
CAD总平
景观套图
建筑套图
室内装修
花坛树池
其它
格式
CAD
DWG
DWT
DXF
DWF
排序
最新作品
热门下载
14
/33
景亭 CAD
观景亭 CAD
悦亭 CAD
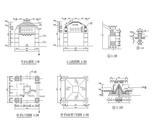
亭子 CAD
六角圆亭 CAD
凉亭 CAD
景亭 CAD
广场双亭 CAD
岗亭 CAD
休闲长廊平面图 CAD
廊架立面图 CAD
宅间休闲廊架及平台详图 CAD
水之剧场-廊架 CAD
观景长廊 CAD
花架施工图 CAD
水池木桥详图 CAD
桥结构平面图 CAD
木桥 CAD
广场木桥 CAD
钢桥详图 CAD
映湖桥 CAD
桥剖面图 CAD
木桥结构平面图 CAD
广场直桥 CAD
拱桥 CAD
玻璃廊桥 CAD
照壁 CAD
围墙结构详图 CAD
水墙 CAD
挡土墙平面图 CAD
休息平台挡土墙 CAD
题字碑 CAD
花槽墙挡墙 CAD
挡墙 CAD
假山瀑布 CAD
广场假山 CAD
中式竹制长廊 dwg
中式长廊 dwg
简单长花架 dwg
长廊结构图纸 dwg
圆形木制花架 dwg
悬挑花架 dwg
现代折线形花架 dwg
中式长廊CAD图纸 dwg
中式廊架带亭子 dwg
遮雨廊架 dwg
张拉膜廊CAD图纸 dwg
悬挑木制花架 dwg
休闲廊施工大样图 dwg
现代廊 dwg
现代简约长廊 dwg
现代花架 dwg
现代弧形廊 dwg
现代风格廊架 dwg
欧式长廊 dwg
庭院花架 dwg
双面斜面廊架 dwg
双面三角廊架 dwg
Y型现代廊 dwg
扇形单面廊架 dwg
现代简约花架 dwg
现代弧形长廊 dwg
现代风格长廊 dwg
西柱廊 dwg
网格弧形廊架 dwg
索道廊架平立面 dwg
双面现代廊架 dwg
双面花架 dwg
树池坐凳施工图 dwg
扇形玻璃廊架 dwg
曲廊施工图 dwg
欧式遮阳廊架 dwg
欧式廊施工图 dwg
欧式带座椅长廊 dwg
木制折线花架 dwg
木制花架 dwg
木制弧形廊架 dwg
木棚架图纸 dwg
绿化阶梯廊架 dwg
流线型廊架 dwg
爬山廊 dwg
欧式铁艺木廊架 dwg
欧式弧形休闲廊架 dwg
木制廊架 dwg
木制花架施工图 dwg
木制弧形长廊 dwg
木制单臂花架施工图 dwg
木廊架 dwg
螺旋廊架 dwg
连座椅的圆形廊架 dwg
廊结构图 dwg
廊架结构图 dwg
景观墙仿木廊架 dwg
简约休闲廊架 dwg
简约木质双面花架 dwg
简约木制花架 dwg
简约花架 dwg
简欧风格花架 dwg
简单长廊施工图 dwg
简单圆形花架 dwg
首页
上一页
9
10
11
12
13
14
15
16
17
18
19
下一页
尾页
构筑物推荐:
房地产效果图
3D景观效果图
卧室立面图
办公室立面图
酒店背景墙效果图
别墅庭院cad
沙发背景墙CAD
农村别墅CAD
cad办公室立面图
住宅楼效果图
园林景观cad
电视背景墙立面图
别墅装修效果图
景观cad立面图
办公楼cad
背景墙施工图
办公椅cad
石材立面
园林cad平面图
房子cad
门套CAD
实木楼梯cad
别墅景观cad平面图
cad楼梯立面
办公室cad立面图
地产楼盘CAD
景观桥cad
桥cad景观桥CAD
CAD亭子施工图
茶桌CAD